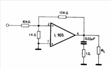
The voltage gain of this circuit found in the 1982 SGS Linear Integrated Circuits manual is 10 times. The component used is not common, but if found it must be equipped with a heat radiator in the assembly.

The voltage gain of this circuit found in the 1982 SGS Linear Integrated Circuits manual is 10 times. The component used is not common, but if found it must be equipped with a heat radiator in the assembly.
