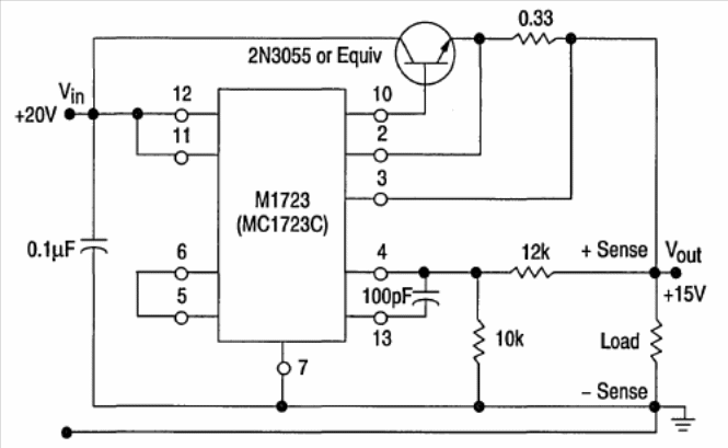
This circuit is from Motorola's Linear Interface ICs from 1993. The MC1723 is the equivalent of the well-known 723. The transistor supports equivalents.
In the figure we have the circuit of a simple humidity sensor with the 4011. The circuit was found...
We found this receiver for the 144 MHz band in a European publication from the 1970s. The circuit...
We found this circuit in an ancient American documentation. It can be adapted to operate in other...