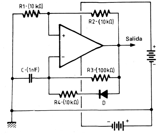
We found this circuit in a French technical documentation from 1982. The circuit can be implemented with almost any operator, preferably the JFET type. The circuit requires a symmetrical power supply, and the pulse duration depends on the relationship between R3 and R4. C determines the frequency.




