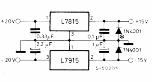
This circuit is from the SGS manual of linear integrated circuits of 1982. The circuit has a maximum current of 1 A and the L8 / 9xx are equivalent to the well-known 78xx and 79xx. These integrated circuits must be mounted on heat radiators.

This circuit is from the SGS manual of linear integrated circuits of 1982. The circuit has a maximum current of 1 A and the L8 / 9xx are equivalent to the well-known 78xx and 79xx. These integrated circuits must be mounted on heat radiators.
