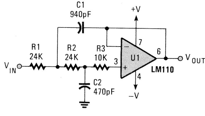
The frequency of this circuit depends on C1 and, for the indicated values, it is 1 kHz. Equivalent operational amplifiers can be used, and the power supply must be symmetrical.
This current meter with many scales was found in a 80s American documentation. The operational amplifier...
This 90s Motorola circuit from, has current limiting foldback. The power transistor is from the...
This circuit was found in an Electronic Design from the 90s. The shapes of the signals obtained as result...