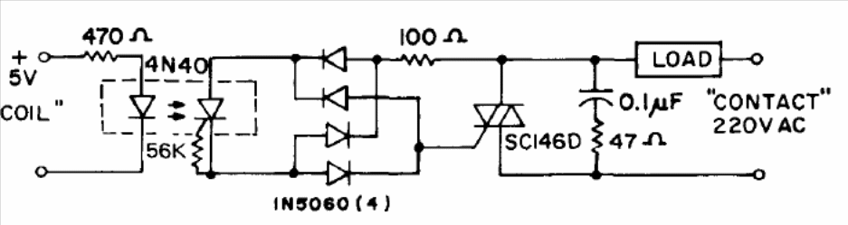
The presented circuit uses an opto-SCR. We found the circuit in the GE semiconductor manual. Equivalent triacs, depending on the load current and voltage, can be used.
This circuit was found in 1968 General Electric documentation. The circuit uses components from the era...
This instrumentation amplifier uses three operational ones, and the components must maintain the...
This circuit doubles the frequency of a rectangular signal applied to its input. The circuit has a...