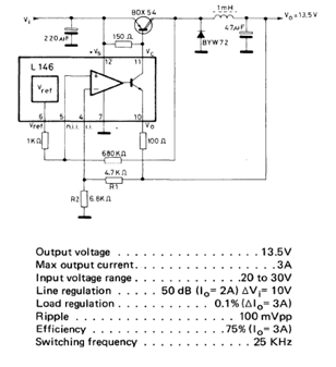
This high-performance circuit was found in the 1982 SGS Linear Integrated Circuits Manual. The power transistor admits equivalent and the maximum output current is 3 A. The circuit can be used as a switched regulator on a fixed 12 V x 3 A.

This high-performance circuit was found in the 1982 SGS Linear Integrated Circuits Manual. The power transistor admits equivalent and the maximum output current is 3 A. The circuit can be used as a switched regulator on a fixed 12 V x 3 A.
