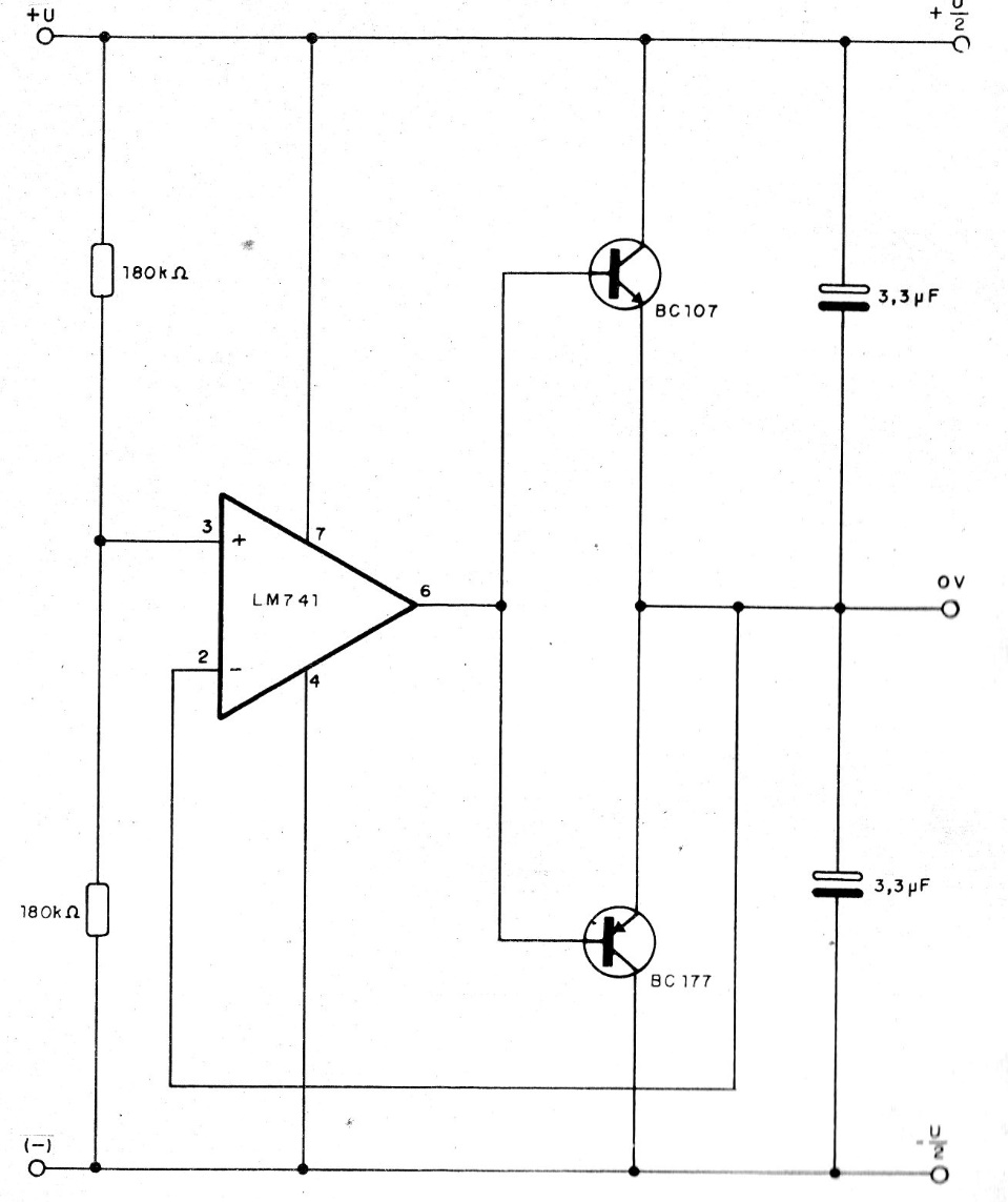
With this circuit it is possible to have a symmetrical source from a simple source with voltages from 6 to 15 V. The circuit divides the voltage of the simple source by 2 and, with the indicated transistors, the maximum output current is 100 mA. For the pair BD135 and BD136, this current can reach 500 mA.




