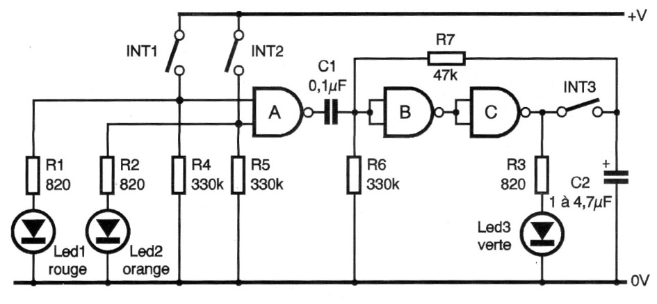
The purpose of this game is to find the combination in sequence of keys that causes all three LEDs to light up. The circuit can be powered by voltages from 5 to 9 V, with changes in the resistors in series with the LEDs. We found this circuit in an old French documentation.




