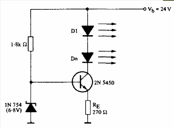
The resistor Re determines the current in the LED and can be changed. The circuit is from a 1978 optoelectronics manual by Texas Instruments. General purpose bipolar transistors such as BC548 can be used.
The resistor Re determines the current in the LED and can be changed. The circuit is from a 1978 optoelectronics manual by Texas Instruments. General purpose bipolar transistors such as BC548 can be used.