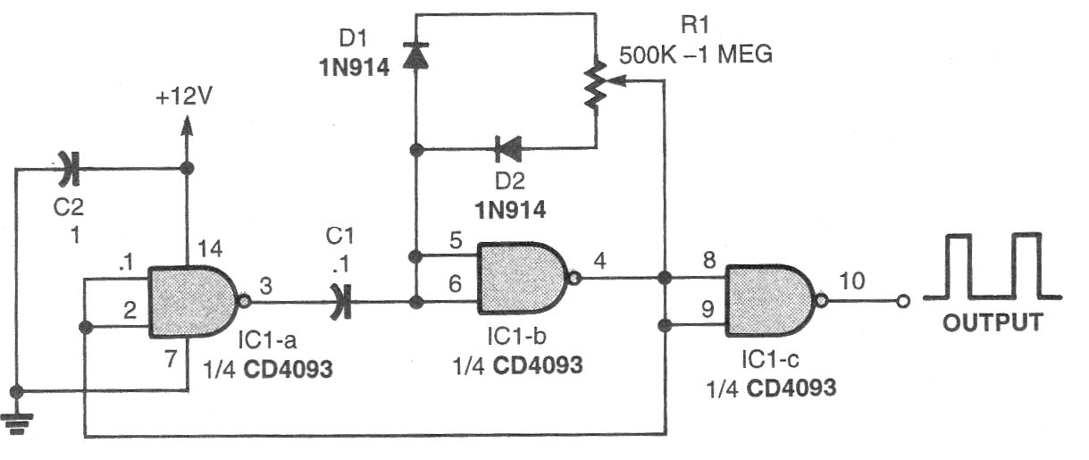
We found this circuit in an American publication from the 90s. It generates pulses that can be modulated in amplitude. The supply can be done by voltages from 5 to 12 V and the frequency depends on C1 and C2.
This configuration (using a logic gate with TTL compatible output) uses an amplifier transistor to obtain...
In addition to the didactic purpose, the figure circuit can also be automated. In this case, the...
The maximum time interval of this circuit depends on C1. Larger values can be used to get closer to...