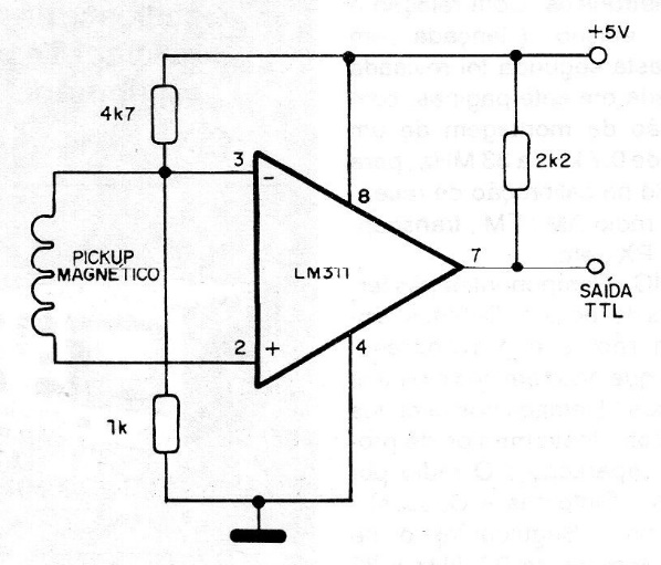
This circuit, suggested by Philips Components, uses as a base a voltage comparator of the type LM311 to provide a signal with characteristics compatible with the TTL logic. The circuit is quite simple, and the characteristics of the transducer depend on the type of signal that must be detected, as it is a function of the application you have in mind. The power supply does not have to be symmetrical and the resistors are 1/8 W.




