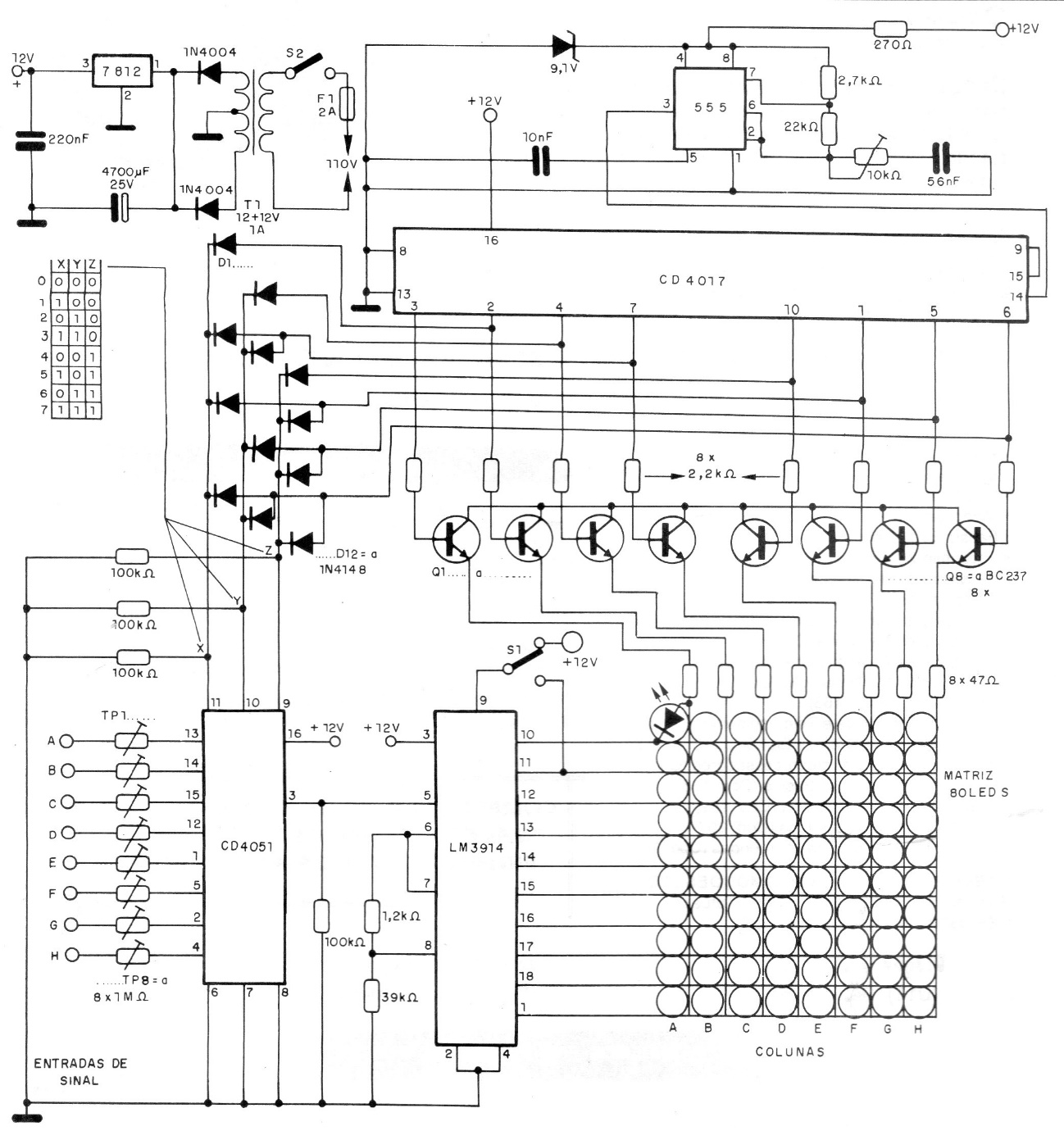
This level matrix display was found in a 1994 documentation, but it can still be assembled, as the components used are still common in our market. The circuit includes its own power supply and uses an array of 64 LEDs.
This level matrix display was found in a 1994 documentation, but it can still be assembled, as the components used are still common in our market. The circuit includes its own power supply and uses an array of 64 LEDs.