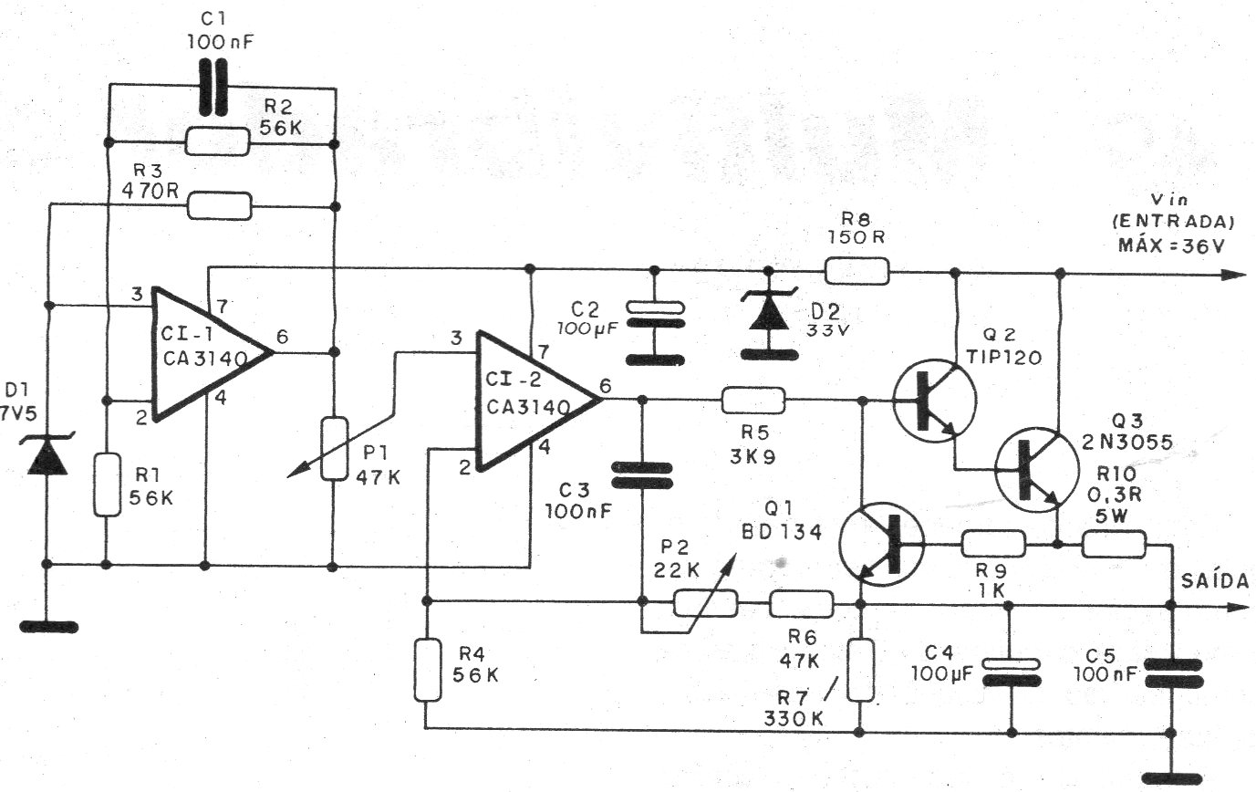
This circuit has a maximum output current of 5 A, and the 2N3055 must have an excellent heat sink. The reference adjustment is made in the trimpots and the components used must have voltages according to the circuit. The output voltage is 30 V, and the input voltage can be up to 40 V.




