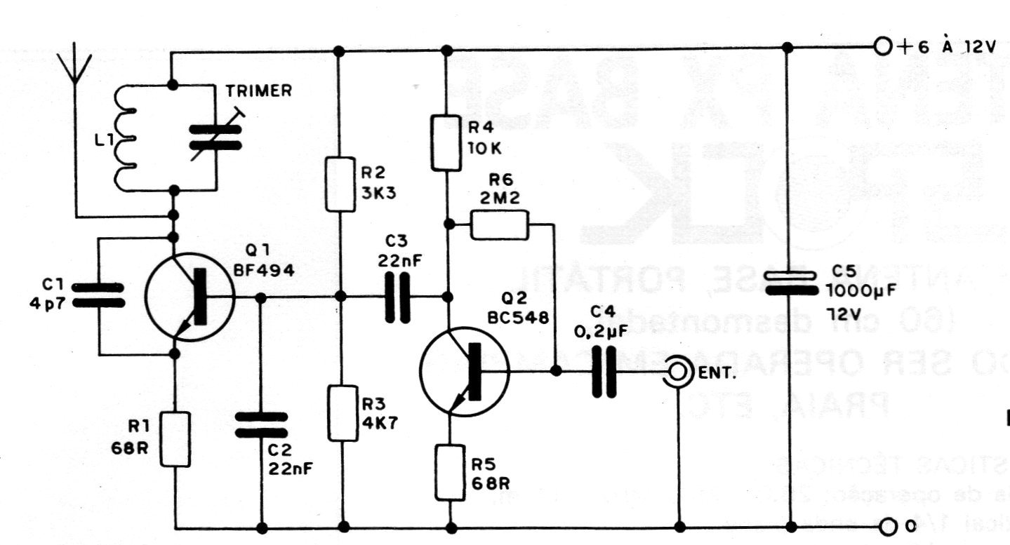
This circuit was obtained in 1981 documentation. It is an FM transmitter that can serve to emit the sound of a microphone, a record player, a recorder, etc., functioning as a small toy station for use domestic. The circuit, as we can see, is quite simple, being formed by two steps: the first consists of an RF oscillator whose frequency is determined by the resonant circuit L - Cv. The coil consists of 4 turns of wire 18 to 24 with a diameter of 1 cm. The adjustable capacitor allows you to find an operating frequency when there is no station emitting. The transistor used in this step can be of any type for RF, such as BF494 or PD1001. The second stage consists of the modulator, which uses a single NPN silicon transistor for general use. This transistor is originally of the BC548 type, but equivalents such as the BC547, BC237 or BC238 can be used without problems.




