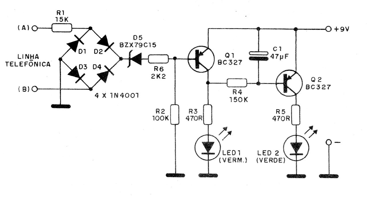
The presented circuit monitors a line indicating if it is busy if there is an extension. The circuit is powered by batteries or 9 V battery and the indication is made through LEDs. The circuit is connected to the analog telephone line. The components used are all common.




