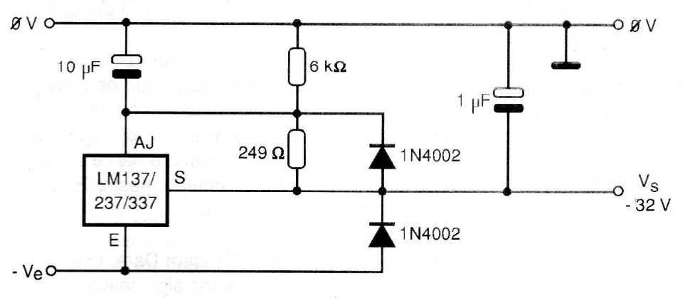
This circuit can supply negative voltages of up to 32 V with high current intensity (up to 1 A), based on the LM137 regulator and others in the same series. The output voltage depends on the relationship of values between the two resistors used in the circuit. This configuration is suggested by National Semiconductor. The input must have a voltage of at least 2 V greater than that desired at the output.




