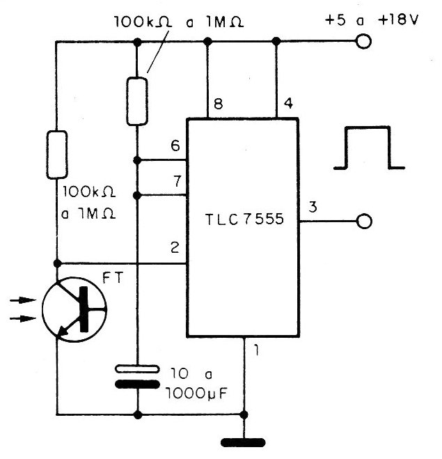
In the figure we have the shot made by an interrupted light beam using a phototransistor or a photodiode as a sensor. In both cases we have monostable operation, with extremely low energy consumption in the standby condition, when the relay coil or the load is deactivated.




