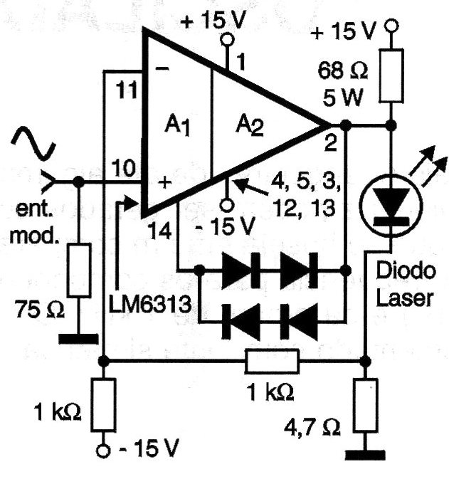
With this circuit it is possible to modulate the radiation emitted by a laser diode in amplitude. The circuit uses a National Operational LM6313 Dual Amplifier and requires a symmetrical source. This operational amplifier is a special type of power that can excite high current loads such as laser diodes.




