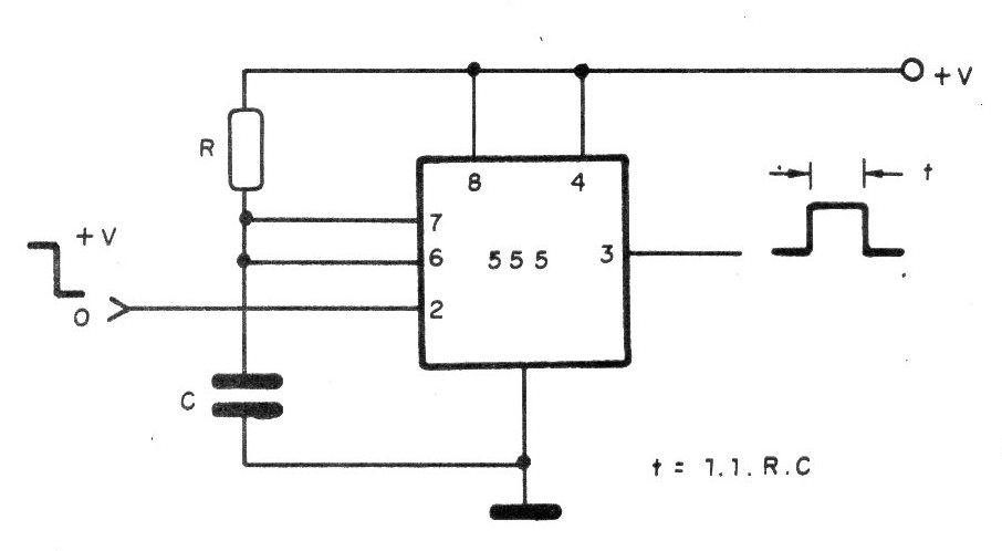
In this configuration shown when triggered by a transition from high to low level on pin 2, the 555 keeps its output at high level for a time given in the formula along with the basic diagram in the figure. This time that depends on R and C can reach up to more than 1 hour if the capacitor used does not have appreciable leaks. R must not be less than 1 k ohms, and the times can be better determined with the help of the figure. For 10 M ohms and 100 nF, for example, we get a second time and with 10 nF we get 0.1 second.




