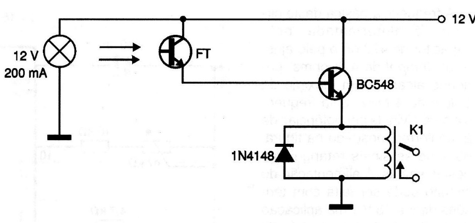
The optocoupler in the figure uses common transistors and a phototransistor to drive a sensitive relay (20 to 50 mA) for the 12V voltage. The circuit consists of a Darlington stage in which virtually any phototransistor can be employed. The lamp depends only on the light intensity to be applied to the phototransistor and the distance at which it must be positioned.




