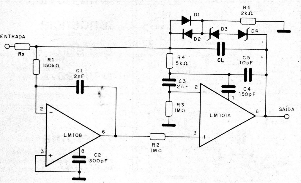
This circuit was found in a publication by National Semiconductor. As the LM108 is not currently common, the circuit can be implemented with equivalent operational ones. The power supply must be symmetrical.
This circuit was found in a publication by National Semiconductor. As the LM108 is not currently common, the circuit can be implemented with equivalent operational ones. The power supply must be symmetrical.