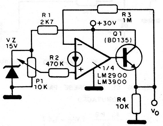
The circuit in the figure has the same purpose as the previous one (CBV15991E), except that it has a transistor at the output for greater current capacity. A Norton amplifier has its gain fixed at twice, while the output transistor controls the main current of this circuit. The reference voltage is varied through the potentiometer, between 0 and 15V, which takes the output to an excursion between 0.5 and 30 V.




