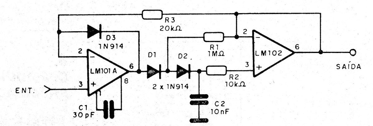
The circuit in the figure uses two operational amplifiers: an LM101A and an LM102. Diodes admit equivalents and resistors do not have to be accurate. The power supply must be symmetrical.
This circuit was published in an English magazine from 1977, but it can be easily assembled since...
The maximum current of this circuit is 1 A. The circuit is from Motorola Linear Interface ICs from...
This circuit is a handset receiver that picks up the signal emitted by a coil under the rug or...