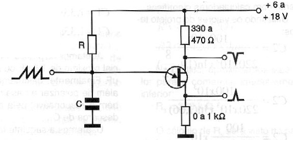
This circuit can generate audio signals at frequencies ranging from 0.01 Hz to approximately 20 kHz. The frequency depends on R and C. R can have values between 1k and 10 M while C can have values between 1nF and 2 200 uF typically. The unijunction transistor may be the 2N2646 which is the most common and which can still be found for sale.




