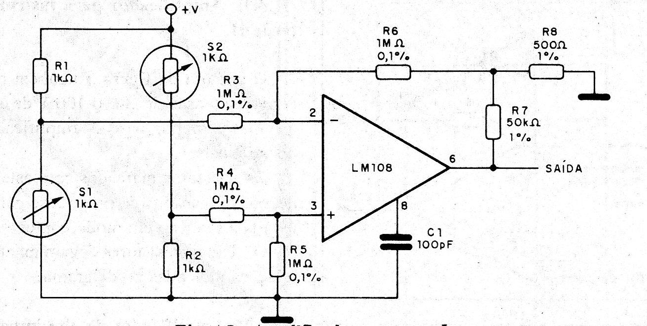
This is an instrument amplifier that uses two resistive sensors. The circuit is suggested by National Semiconductor and the power supply must be symmetrical. Equivalent operational amplifiers can be used.
This is an instrument amplifier that uses two resistive sensors. The circuit is suggested by National Semiconductor and the power supply must be symmetrical. Equivalent operational amplifiers can be used.