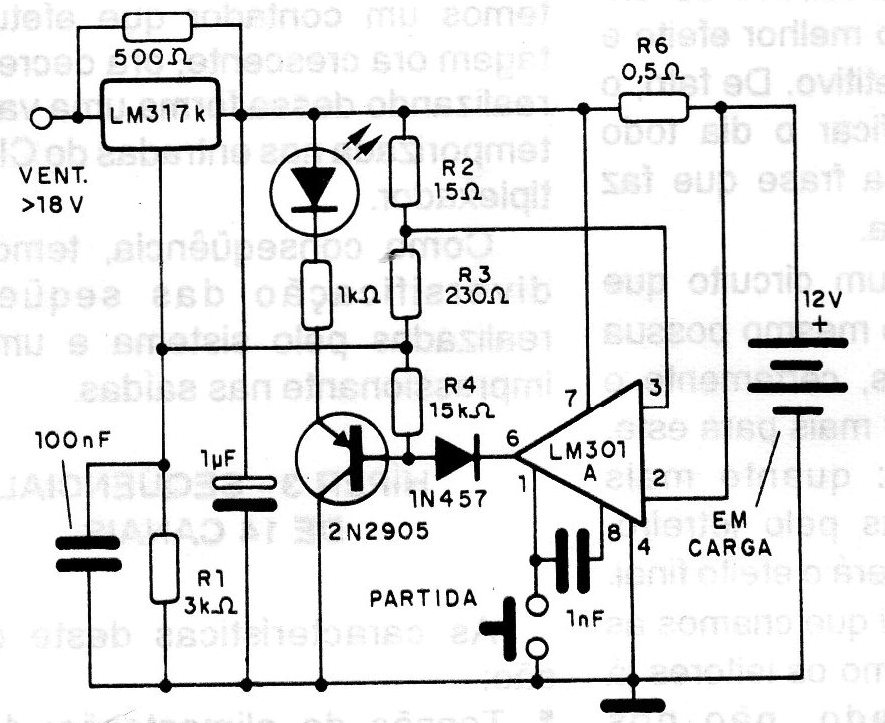
This battery charger is suggested by National and has a switch that turns it off when the battery is fully charged. Initially, the charging current is limited to 2 A. As the voltage in the battery rises, the charging current decreases until, when its value reaches 150 mA, the circuit switches, ending the charging process. An LED indicates when this occurs. With fully discharged batteries, the start is automatic. With partially discharged batteries, the starter must be pressed. The charging voltage is 14.5 V and the LM317 K needs to be mounted on a good heat radiator.




