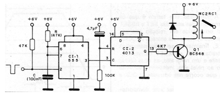
Activating a relay from the pulse (coming from a monostable, for example) can be useful in several types of control. In the figure we give a combination that we use frequently in projects for its efficiency. For each pulse produced by the 555 that corresponds to the input excitation by a sensor, for example, the flip-flop changes state and, consequently, the relay. The duration time of the output pulse of the monostable (555) is calculated to avoid that the activation of the sensor for an instant produces more than one output cycle and with this the erratic change of state of the relay.




