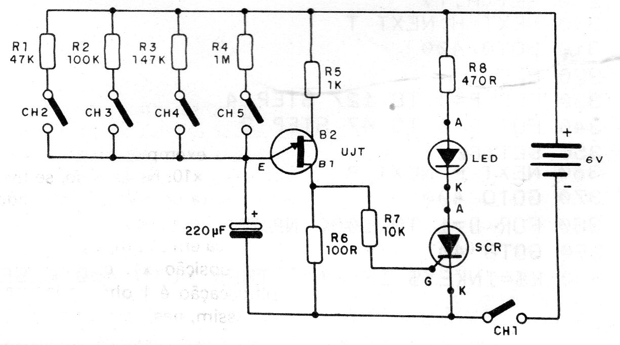
This timer of 10, 25, 45 seconds and 5 minutes has its times selected by the keys. The circuit drives LEDs, but by increasing the supply voltage to 9 V, a 6 V relay can be activated, considering the 2 V drop in the SCR. Longer intervals can also be obtained with increasing the capacitor.




