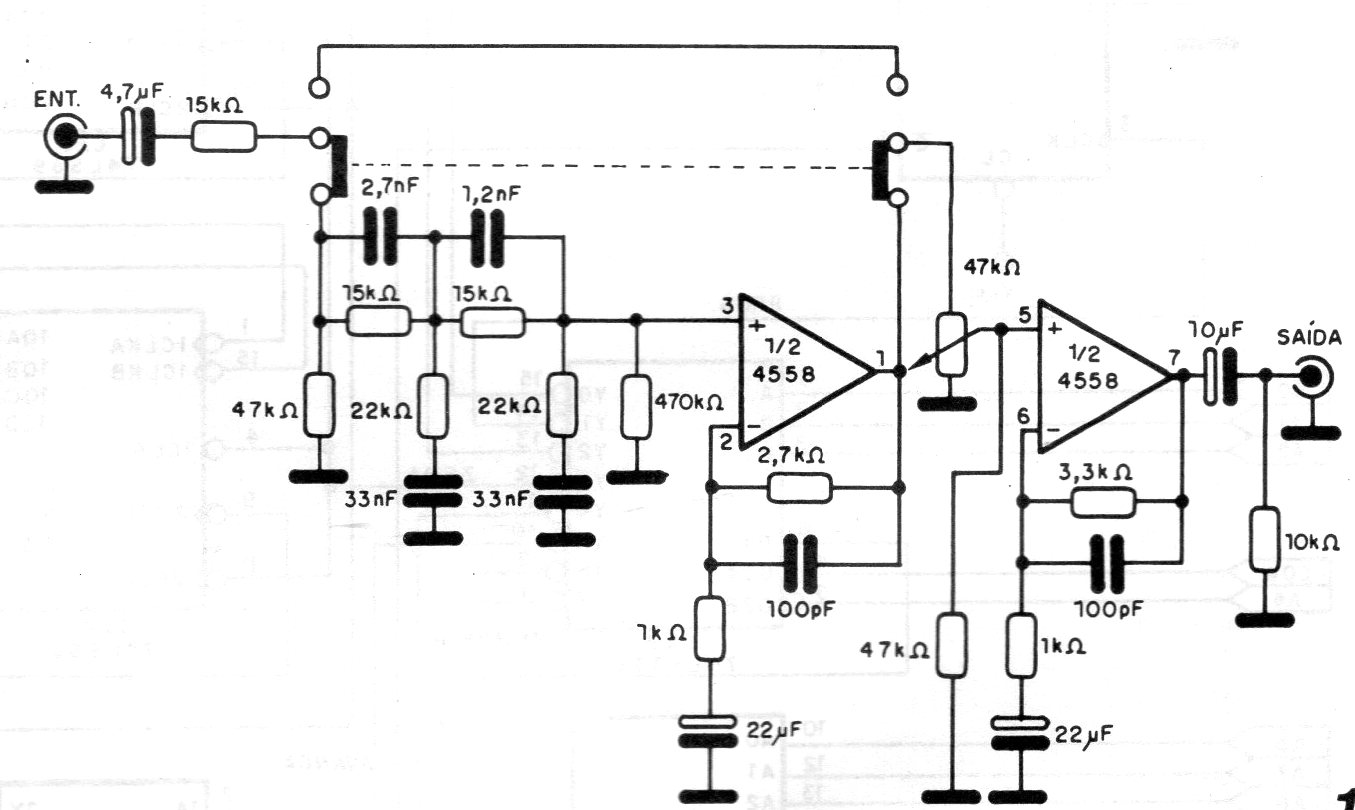
This audibility or loudness control for sound equipment is from 1992 documentation. The circuit uses operational and requires symmetrical power supply. The audio input and output cables must be shielded. The circuit includes a volume control. The power source is given in CB16761E.




