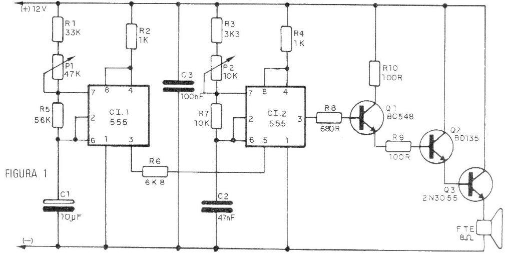
We obtained this circuit in a 1987 publication. It is the traditional French siren configuration with two 555 integrated circuits and a high-power stage with a 2N3055 transistor. This transistor must be mounted on a heatsink. The adjustment of the sound effect must be done in the trimpots and the circuit powered by a 12 V source of at least 2 A or battery.




