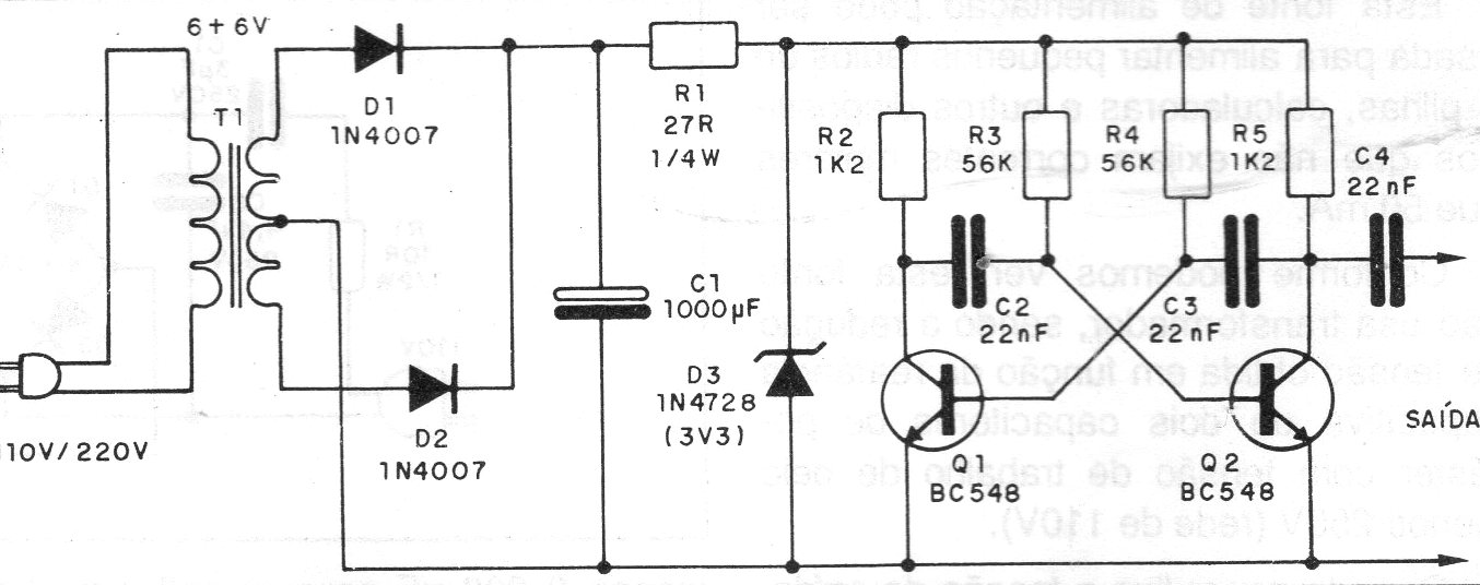
This 1987 signal injector included the power supply from the power grid. The transformer is 6 + 6 V with current from 50 mA. The signal is rectangular rich in harmonics. Never use a Transformerless source to power this circuit.
This 1987 signal injector included the power supply from the power grid. The transformer is 6 + 6 V with current from 50 mA. The signal is rectangular rich in harmonics. Never use a Transformerless source to power this circuit.