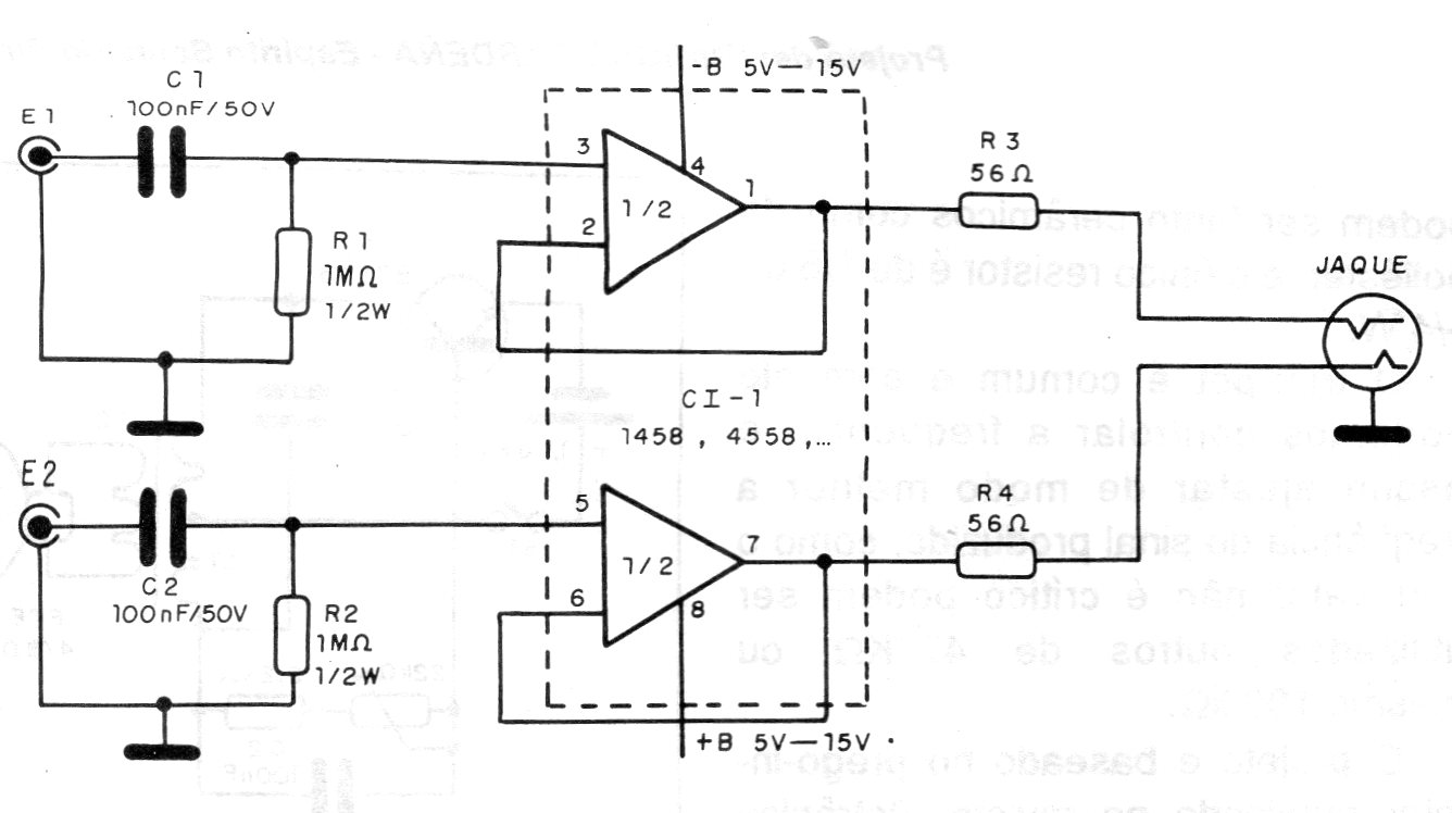
The input impedance of the circuit shown in the figure is of the order of 1 M ohms and the output impedance of the order of 1 ohm only. The circuit requires a symmetrical source and can operate with signals ranging from 0 (DC) to 1 MHz).
The input impedance of the circuit shown in the figure is of the order of 1 M ohms and the output impedance of the order of 1 ohm only. The circuit requires a symmetrical source and can operate with signals ranging from 0 (DC) to 1 MHz).