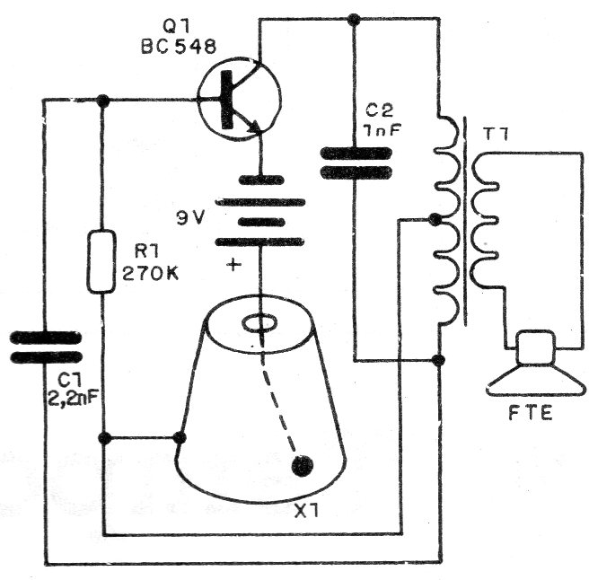
In reality, it is an audio oscillator that is triggered by a structure that forms a bell-shaped sensor. The speaker can be remote and there is no consumption when there is no sound. The circuit can be powered by two or four common batteries and the sound changed through the exchange of R1.




