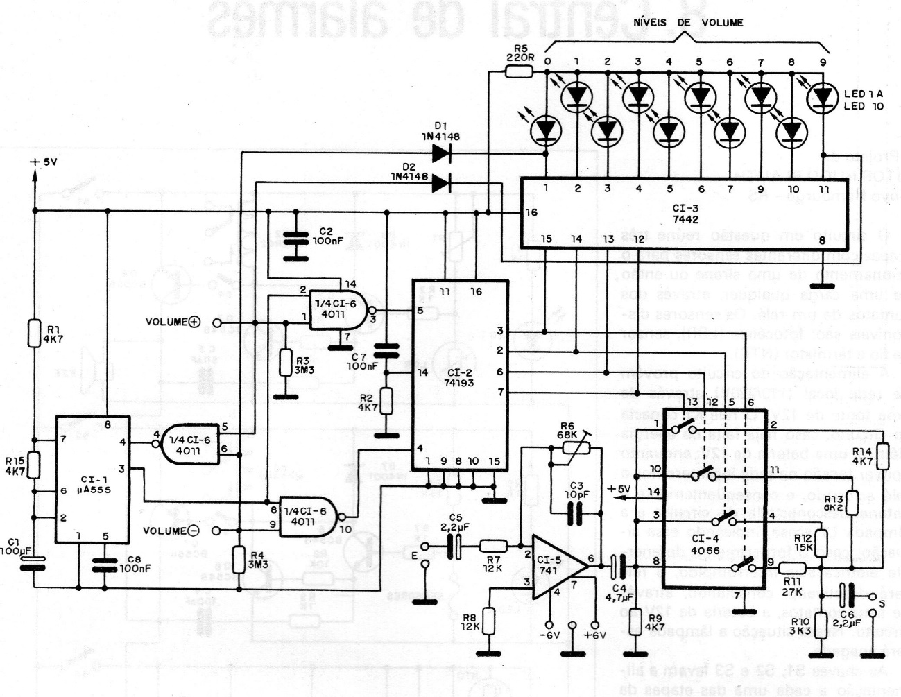
This digital touch volume control was obtained in a 1988 publication. Each touch of the sensor selects one of the digital switches that lets the audio signal pass with greater or lesser attenuation. The circuit uses TTL technology and must be powered by a voltage of 5 V. The audio input and output cables must be shielded.




