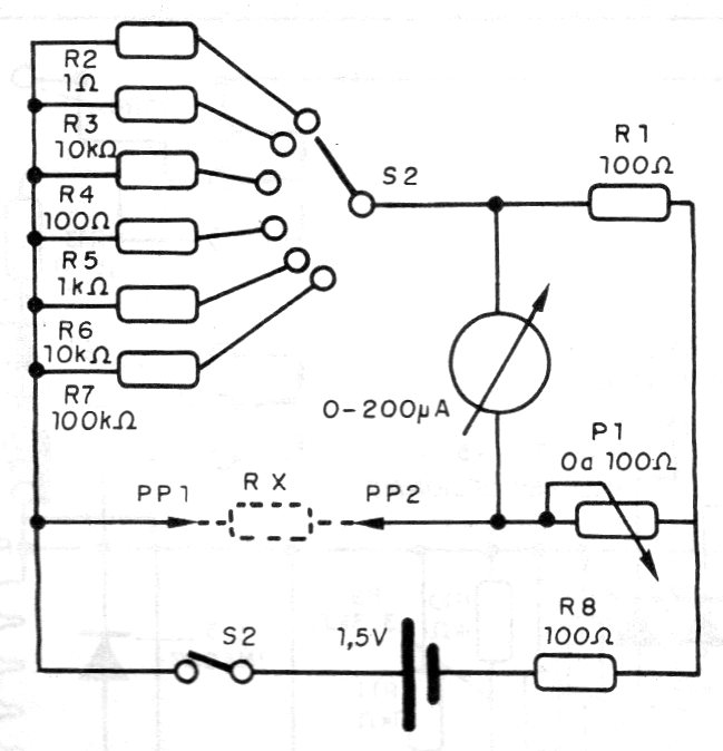
The circuit below shows how to create a simple resistance measurement bridge (Wheatstone) using a common 200 uA VU-meter. The circuit is powered by a battery and P1 adjusts the instrument for balance in the different resistance ranges.
The circuit below shows how to create a simple resistance measurement bridge (Wheatstone) using a common 200 uA VU-meter. The circuit is powered by a battery and P1 adjusts the instrument for balance in the different resistance ranges.