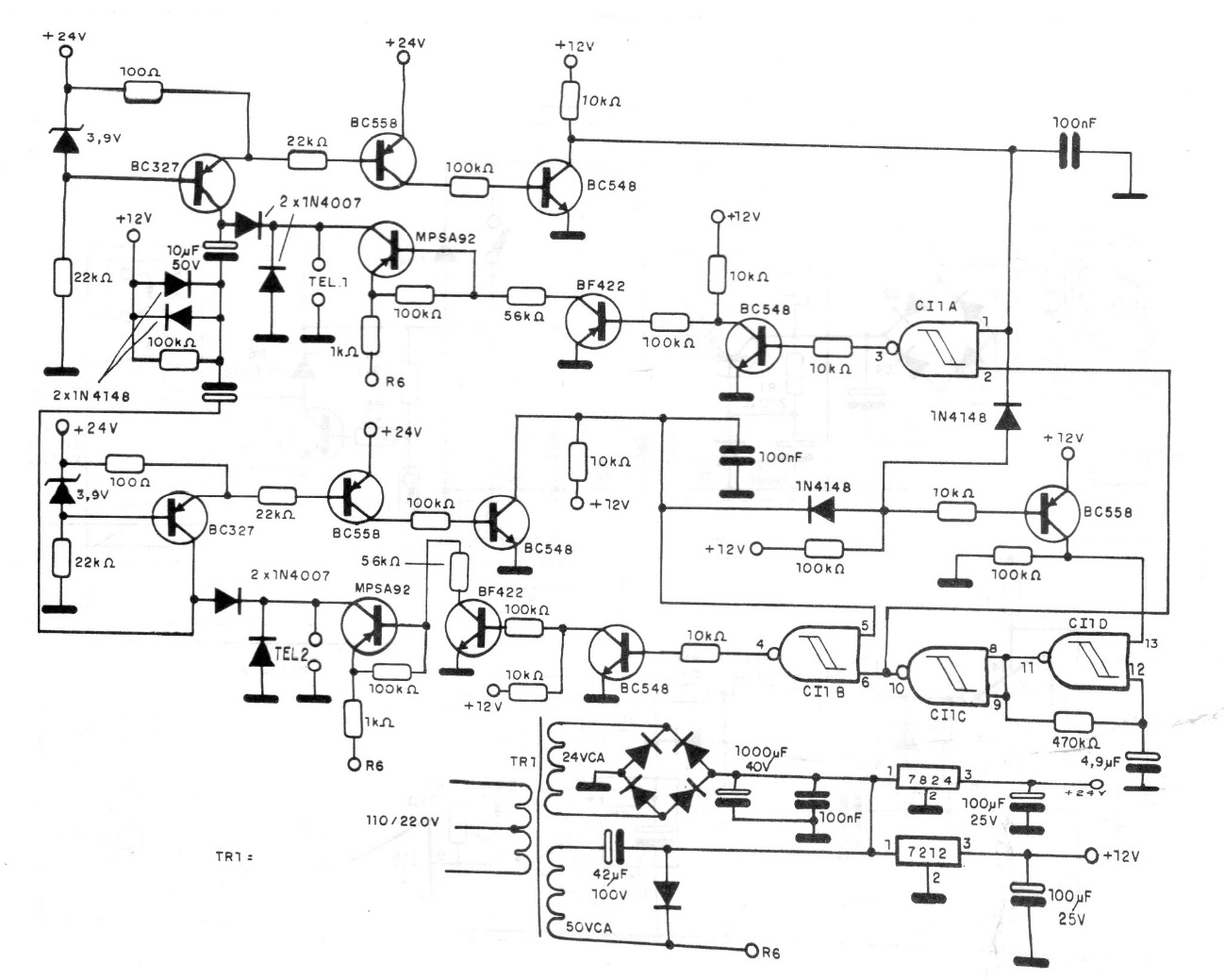
This circuit, found in a 1994 publication, allows the use of two common analog telephone sets on a proven telephone line. The wires can be extended to distances up to 4 km. The circuit requires a transformer with two secondary, one 24 V and the other 50 V with a current of at least 200 mA.




