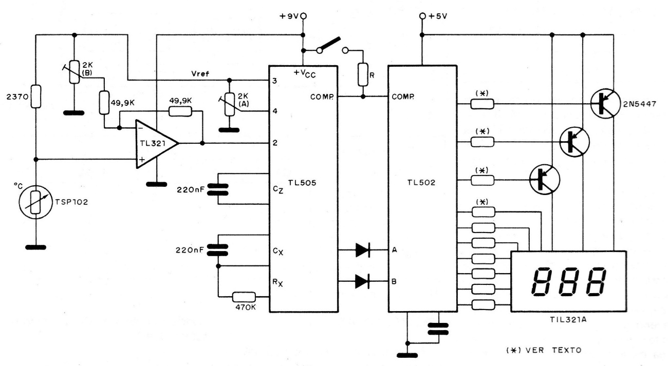
This 3-digit thermometer, suggested by Texas Instruments, uses 3 integrated plus the display, with excellent resolution. The drivers and display must be sized according to the segment currents and the desired brightness. Trimpot (A) sets the reference for °C and °F scales. For °C it must be set to a cursor voltage of 0.305 x Vref, while for the scale of oC the resistors at the TL502 output to °F it must be set at 0.170 x Vref. The trimpot (B) should be set to 0.516 x Vref on the °C scale while for the ° F scale it should be set to 0.462 x Vref.




