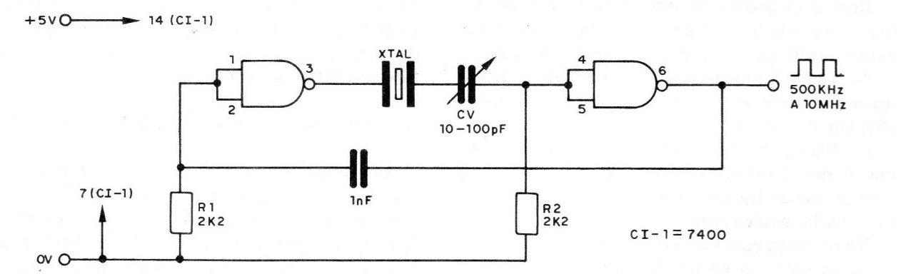
The oscillator shown in the figure uses two NAND ports of the four existing in an integrated TTL 7400. The crystal used operates at the fundamental frequency and can have values between 500 kHz and 10 MHz. The CV trimmer allows to adjust the ideal oscillation point with greater efficiency for the circuit. The supply must be made with a voltage of 5 V and the signal obtained at the output is rectangular. This circuit can be used as a time base for digital instruments, such as frequency meters, counters, stopwatches, etc.




