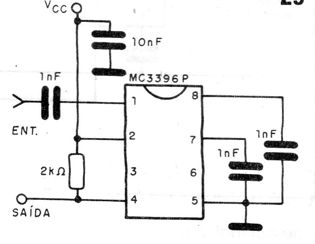
We found this circuit in a 1992 documentation. It consists of a digital signal splitter used in frequency meters to expand its scale. The circuit makes it possible to read signals up to 200 MHz on frequencies up to 20 MHz. The integrated circuit used is not common today.




