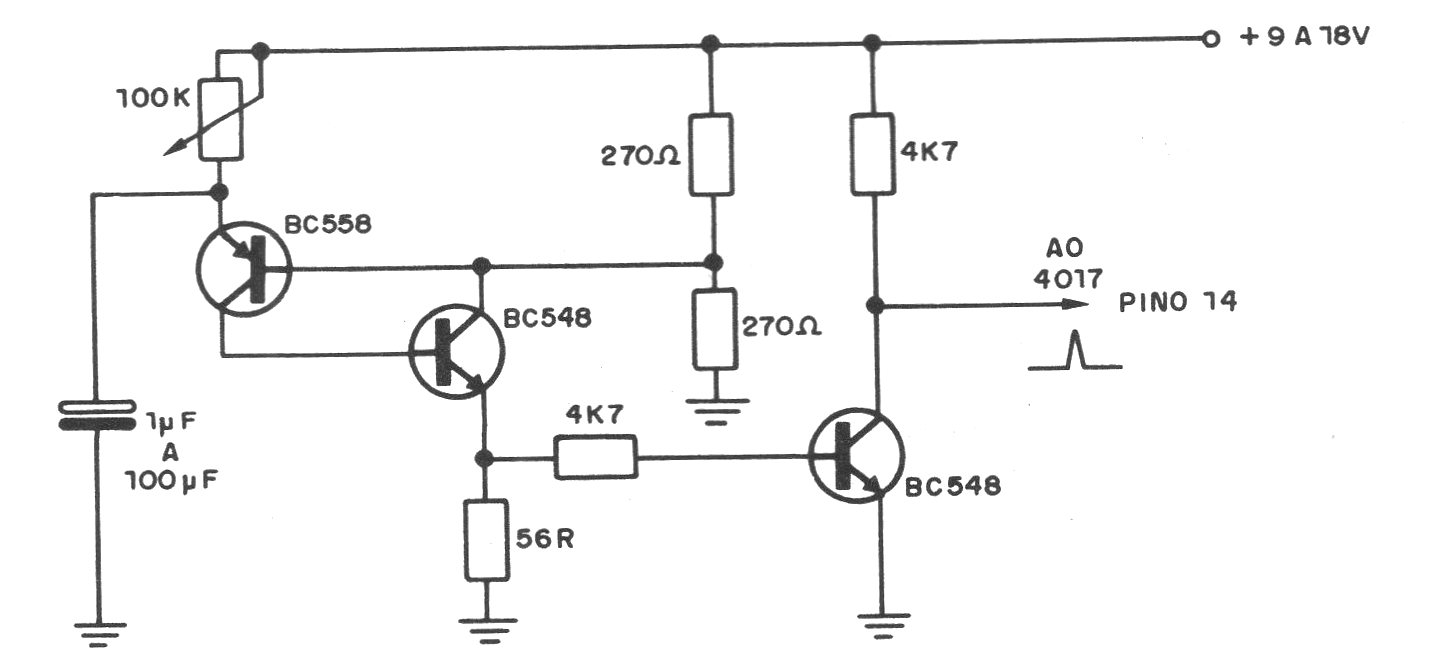
The integrated 4017, a C-MOS counter, is one of the most popular in the design of sequences, counters, frequency dividers, long-term timers, etc. However, for it to "work" it is necessary to apply pulses of certain characteristics to its input (pin 14) and often depending on the purpose given. In the figure we give a transistorized circuit for the excitation of the 4017 at low frequencies, which can be adjusted from fraction of Hertz (for timers and slow sequences) to a few tens of kilohertz (for counters and dividers). The first two transistors function as a relaxation oscillator in which the frequency depends on the 1ook potentiometer and the capacitor values. We use smaller capacitors for higher frequencies. The third transistor acts as an exciter, and the high pulse that excites the 4017 can be removed from its collector.




