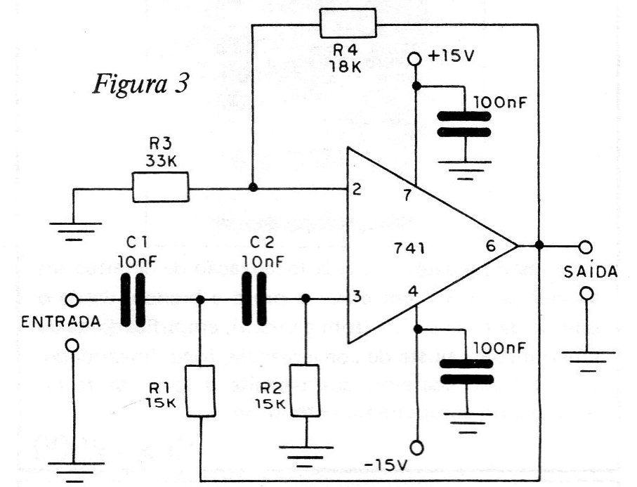
This filter operates in the “opposite” way to the previous one (CIR8814), cutting all signals whose frequencies are less than approximately 1 kHz. As we can see, the base is a single integrated circuit 741. As in the previous case, the suggested values are standard, so the cut does not occur exactly at the indicated frequency, but at a point that, for most practical applications, can be considered satisfactory. For cutting at the exact point, the reader must use components with small tolerances and values that are difficult to be obtained in our market. In this case too, it is the components R1, R2, C1 and C2 that determine the exact frequency at which the cut occurs. The filter must be supplied with a symmetrical source with voltages between 9 and 15 V, and the input and output characteristics of the operator must be respected. During assembly, all connections must be short, so that no instabilities or humming can occur.




