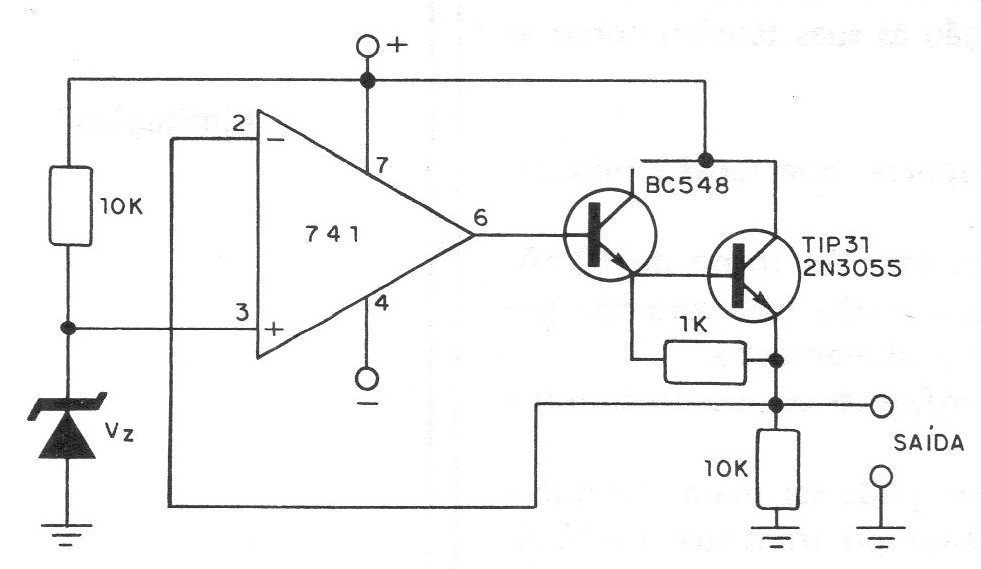
This circuit uses an operational 741 and two transistors to obtain a regulated voltage that depends on the zener used. The input voltage must be greater than that desired at the output and the source must have a symmetrical supply. The power transistor must be mounted on a heatsink.




