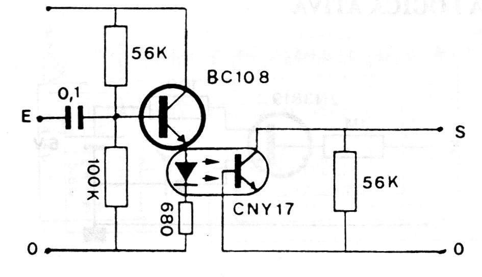
This circuit is from an old French documentation from the 70s. The coupler admits equivalents and the transistor can be the BC548. The circuit can be used on an audio link where a great isolation from the emitting source or receiver is desired.
This circuit is from an old French documentation from the 70s. The coupler admits equivalents and the transistor can be the BC548. The circuit can be used on an audio link where a great isolation from the emitting source or receiver is desired.