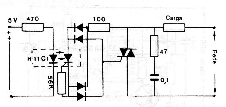
This shield for 5 V outputs controls a triac that feeds a load of power from the power grid. The triac must have a heat sink and the coupler is an opto-SCR type. The diodes can be 1N4004 or 1N4007 depending on the network.
This shield for 5 V outputs controls a triac that feeds a load of power from the power grid. The triac must have a heat sink and the coupler is an opto-SCR type. The diodes can be 1N4004 or 1N4007 depending on the network.