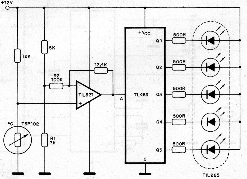
The circuit shown is suggested by Texas Instruments and uses the TL489 as a base, thus providing 5 levels of temperature indication in the range of 25º C to 125º C. Its main application is automotive. The first LED lights up when the temperature exceeds 25 ° C, the second when it exceeds 50 ° C and thus up to 125 ° C in 25 ° C steps with excellent accuracy. For 20 ° F steps, two components must be changed: R1 changes to 460 ohms and R2 changes to 6k2.




