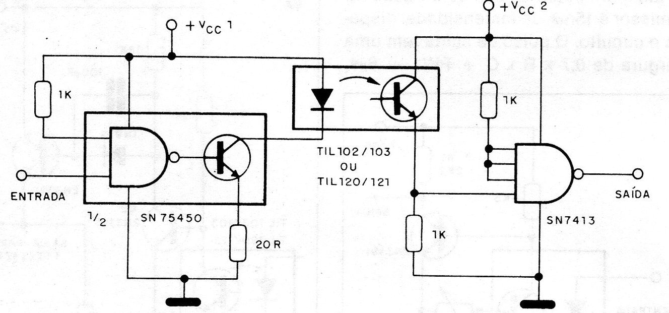
The circuit shown in the figure is suggested by Texas Instruments and allows data transmission on TTL devices working as a shield. The LED needs at least 20 mA for the drive, which is well below the maximum limits of the existing transistor in the 75450.




