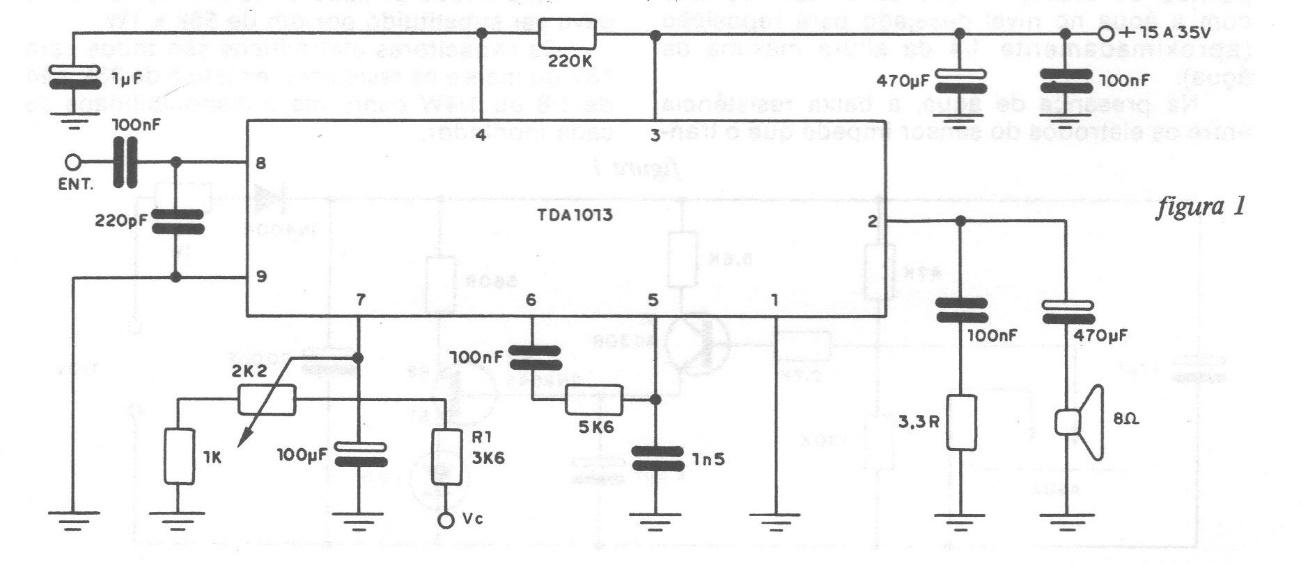
The TDA1013 is an audio amplifier that can provide powers of up to 4 watts, and which has unprecedented characteristics in an integrated of this type. In fact, in addition to being a complete amplifier it has an internal volume control system by DC. Applying a control voltage via R1 we can change the volume in a system that does not work with audio signals. This makes it possible to connect the 2k2 volume potentiometer, away from the amplifier itself, without the need for shielded cables or special precautions for capturing hum. The amplifier can be powered with voltages in the range of 15 to 35 volts, which allows its use in projects with power via the network. The range of control continuous voltages is between 3.5 and 8 volts and the amplifier has a well-defined gain with input sensitivity of only 55 mV. The input impedance is 250 k. The encapsulation of the integrated TDA1013 (Philips) is SIL-9, and, for ease of use, use a good heat radiator. The total harmonic distortion for a power of 2.5 watts, with load impedance of 8 ohms is 0.5%.




