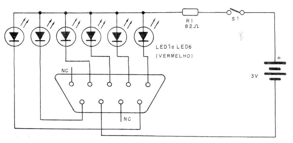
This circuit is from an old publication, from 1992, being indicated to test the old joysticks of the Master game system of the time. The circuit indicates operation through LEDs and an appropriate connector is used.
This circuit is from an old publication, from 1992, being indicated to test the old joysticks of the Master game system of the time. The circuit indicates operation through LEDs and an appropriate connector is used.