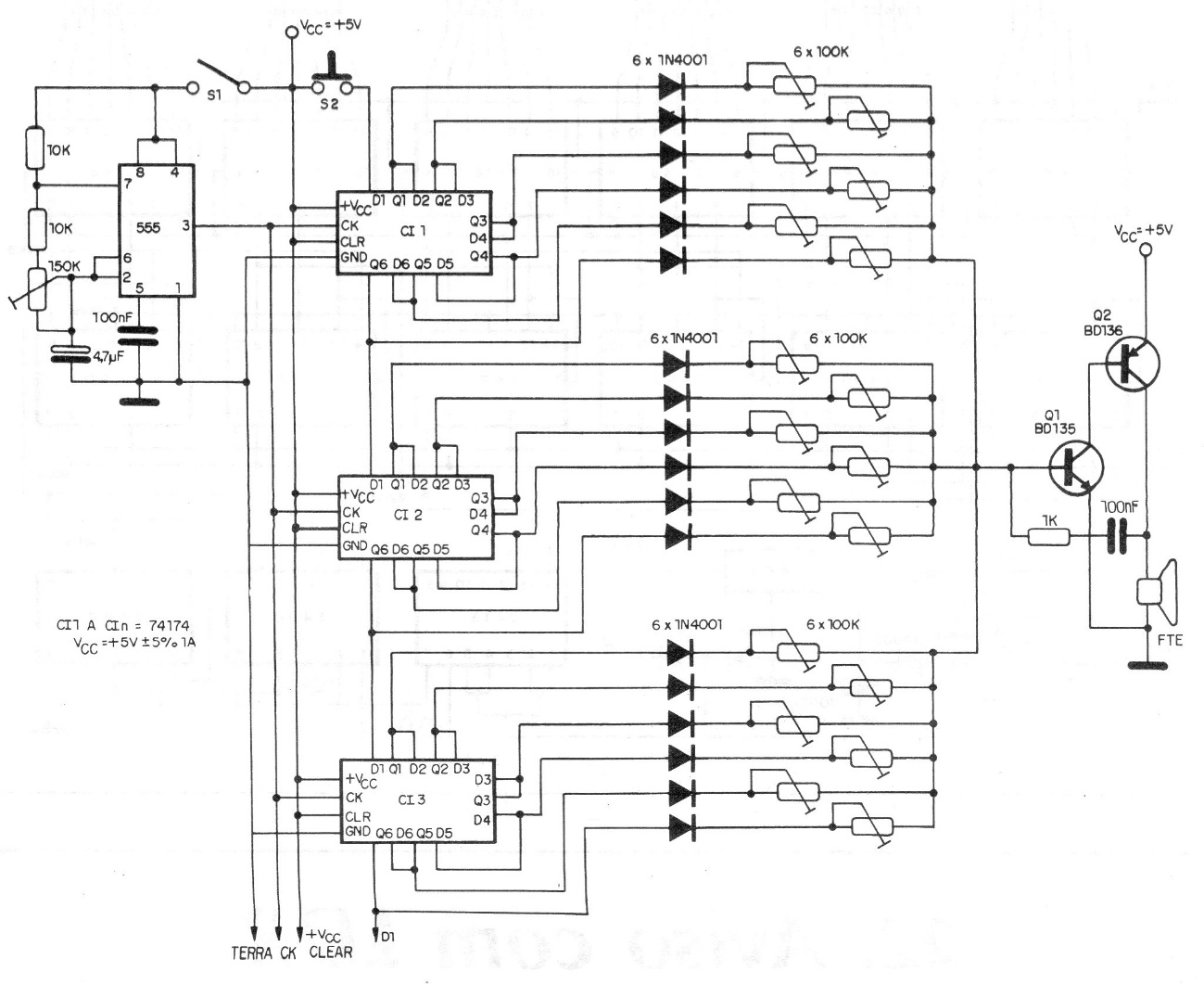
The note sequence for this circuit is achieved through integrated circuits controlled by the 555. The speed of the sequence is adjusted in the trimpot next to the 555 while the other trimpots adjust the emitted musical note. The circuit is from an old publication from the 70s.




